5 Band Equalizer
Kamis, 15 Maret 2012 by skemarangkaian
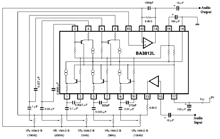
BA 3812 chip 5 Band equalizer
In this part of the investigation in a series of 5-band Equalizer circuits with a single IC BA3812 L. a device used in the hi-fi. IC BA 3812 This is with 5-point Equalizer with all the functions integrated in one IC.
Equalizer has advantages, namely: small distortion, a small noise, dinamic local area, and is suitable for a series of hi-fi stereo. And with a wide voltage range from 3.5 volt to 16 volt. Voltage is the recommended 8 volt but according 9volt highest voltage.
Equalizer has advantages, namely: small distortion, a small noise, dinamic local area, and is suitable for a series of hi-fi stereo. And with a wide voltage range from 3.5 volt to 16 volt. Voltage is the recommended 8 volt but according 9volt highest voltage.
The following 5 frequency channels from this series:
- 100 hz
- 300 hz
- 1 khz
- 3 khz
- 10 khz
Following series can be used as a 5 channel Equalizer simple cheap. Working principle of this series is a series of band pass frequency with center frequency of 10 kHz, 2.5 kHz, 625 Hz, 40 Hz and 155Hz. By using potensiometer, the value of each frequency band pass possible change.

